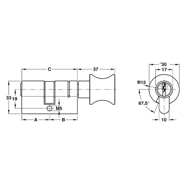
Ruột khoá 1 đầu chìa 1 đầu vặn chìa chủ EM Hafele 916.96.667


=======