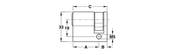
Warning: Undefined variable $hinh in /home/khangquanhome.com/public_html/user1/meta.php on line 115 Ruột khoá 1 đầu chìa, chìa chủ EM Hafele 916.96.339
+ Thời gian bảo hành Hafele cụ thể, vui lòng click xem tại đây + KHANG QUÂN HOME chỉ miễn phí giao hàng với đơn hàng có giá trị từ 5,000,000 VND trở lên (trong bán kính 11,5 km) +KHANG QUÂN HOME sẽ miễn phí lắp đặt đối với các sản phẩm Hafele thiết bị gia dụng nhỏ , các mặt hàng còn lại Hafele chỉ hỗ trợ khách hàng hướng dẫn lắp đặt và sử dụng. + Các sản phẩm của KHANG QUÂN HOME là sản phẩm Hafele được nhập khẩu và phân phối chính hãng tại Việt Nam. Mọi chính sách bán hàng và bảo hành theo quy định của hãng Hafele sản xuất.